本機(ji)是測試各(ge)種(zhong)材料(liao)(liao)及(ji)其制品物理(li)性(xing)能(neng)(neng)(neng)、機(ji)械性(xing)能(neng)(neng)(neng)、工藝性(xing)能(neng)(neng)(neng)、結構性(xing)能(neng)(neng)(neng)及(ji)內外(wai)缺陷的(de)重要儀器設備。可實(shi)現對金屬(shu)或非金屬(shu)材料(liao)(liao)的(de)拉伸、壓縮、彎曲、剪切等(deng)(deng)類型(xing)的(de)試驗,可自動(dong)求取所測材料(liao)(liao)的(de)抗拉強(qiang)度(du)(du)、屈服強(qiang)度(du)(du)、規定非比例延(yan)伸強(qiang)度(du)(du)、彈性(xing)模量(liang)等(deng)(deng)性(xing)能(neng)(neng)(neng)指標(biao),可完成等(deng)(deng)速(su)率(lv)加荷(he)、等(deng)(deng)速(su)率(lv)變形(xing)、等(deng)(deng)速(su)率(lv)位移、等(deng)(deng)速(su)率(lv)應(ying)變等(deng)(deng)閉環(huan)控制。
本機(ji)測試精(jing)準,功能強大(da),操(cao)作方便,穩定可(ke)靠。廣泛適用(yong)于大(da)學、科(ke)研(yan)院所、檢(jian)測機(ji)構(gou)、航空航天(tian)、軍(jun)工、冶金、機(ji)械制(zhi)造、交通建設、建工建材等行業(ye)進行精(jing)密(mi)性的材料(liao)研(yan)究(jiu)、材料(liao)分析、材料(liao)開發和質量控制(zhi)。可(ke)以進行材料(liao)或產品的工藝(yi)合格性能驗證(zheng)試驗。

全新(xin)一代——2023款(kuan)試驗機(ji)是我公司根據試驗機(ji)發展趨勢和(he)市場需求研制的一款(kuan)全新(xin)液(ye)壓萬(wan)能試驗機(ji),在產品(pin)研制和(he)開發方面進行了以(yi)下產品(pin)升級和(he)產品(pin)創(chuang)新(xin):
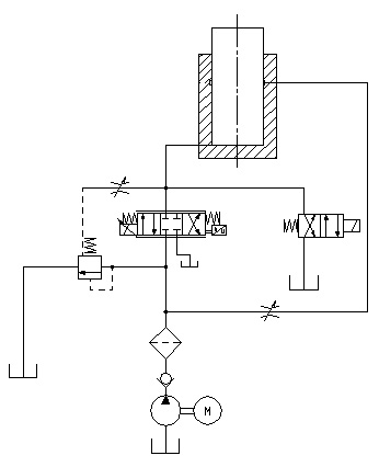
雙(shuang)動力(li)機構(gou) 伺服電(dian)機齒(chi)(chi)輪泵(beng)(beng)。雙(shuang)電(dian)機雙(shuang)油(you)(you)泵(beng)(beng),齒(chi)(chi)輪油(you)(you)泵(beng)(beng)增壓。夾(jia)緊(jin)(jin)器和油(you)(you)缸(gang)分體供(gong)油(you)(you)穩定可靠。(傳統三(san)相(xiang)異(yi)步(bu)電(dian)機為夾(jia)緊(jin)(jin)器供(gong)油(you)(you),伺服電(dian)機為油(you)(you)缸(gang)供(gong)油(you)(you),超靜音,噪音小于70分貝。加載(zai)更(geng)(geng)穩定,更(geng)(geng)迅速(su)。試樣夾(jia)持(chi)(chi)更(geng)(geng)可靠,更(geng)(geng)持(chi)(chi)久耐用)
全新(xin)外(wai)置獨立控(kong)(kong)制器---增加(jia)獨立外(wai)部(bu)(bu)手動控(kong)(kong)制單元為試(shi)驗(yan)機的(de)測量(liang)、控(kong)(kong)制和操作(zuo)提(ti)供了全新(xin)的(de)解(jie)決方案,USB數據傳(chuan)輸全面支持筆(bi)記本計(ji)算(suan)機、平板計(ji)算(suan)機、臺(tai)式計(ji)算(suan)機;是引領試(shi)驗(yan)機技術發(fa)展(zhan)的(de)一個重(zhong)要部(bu)(bu)分;
穩(wen)定性更高(gao),剛性更強,耐用性更好。
多(duo)功能手持(chi)控(kong)制器---可控(kong)制移動橫梁及油缸的上升與(yu)(yu)下降(jiang),鉗口的夾緊(jin)與(yu)(yu)松(song)開,同時具(ju)有(you)油泵緊(jin)急停止功能,使用(yong)試樣裝夾更加(jia)方(fang)便(bian);
設備運行(xing)監(jian)控系(xi)統(tong)---具(ju)有相序、缺(que)相自檢指示功能,電氣過流、過載等保護(hu)功能,使(shi)設備運行(xing)安(an)全可靠;
主機上下鉗口(kou)座采用楔形(xing)夾(jia)緊方式---試(shi)樣夾(jia)持更平(ping)穩、試(shi)樣斷裂對中性更好;
絲杠下部(bu)設置(zhi)彈性減(jian)震機構---有效減(jian)少因(yin)試(shi)樣斷(duan)裂(lie)引起的沖擊,降低噪音;
絲杠外增加柔性防塵罩---避免異(yi)物(wu)進入,增加了(le)絲杠及傳動機(ji)構的耐用度(du),提高了(le)整機(ji)美觀(guan)度(du);
安全防(fang)護(hu)罩---三面(mian)式冷軋鋼(gang)板沖孔(kong)式安全防(fang)護(hu)罩,防(fang)止(zhi)試驗過程中(zhong)異物飛出,在提高(gao)防(fang)護(hu)等級的同時(shi)方便操作人員實時(shi)觀察,有效(xiao)保障(zhang)實驗員人身安全。
伺服泵站采用插(cha)裝(zhuang)閥式(shi)壓差隨動技術---節(jie)能環保、安(an)全可靠,減少系(xi)統發(fa)熱;同時夾持力(li)隨試(shi)驗力(li)增大而(er)增加(jia),試(shi)樣夾持牢靠。
(一)外置獨立控制器
外置(zhi)獨立控(kong)(kong)制(zhi)(zhi)器是我公(gong)司歷(li)時多年研(yan)發(fa)的(de)——新一(yi)代靜態(tai)試驗機專用控(kong)(kong)制(zhi)(zhi)器;集(ji)測量(liang)、控(kong)(kong)制(zhi)(zhi)、傳輸(shu)功(gong)能于一(yi)體,對(dui)信號采集(ji)、信號放大、數據傳輸(shu)、伺(si)服(fu)閥驅動單(dan)元進行了高度集(ji)成(cheng),并(bing)增加外部手動控(kong)(kong)制(zhi)(zhi)單(dan)元為試驗機的(de)測量(liang)、控(kong)(kong)制(zhi)(zhi)和操作提供(gong)了全新的(de)解決方案,USB數據傳輸(shu)全面(mian)支持筆記(ji)本(ben)計(ji)算(suan)機、平板計(ji)算(suan)機、臺(tai)式計(ji)算(suan)機;是引領試驗機技(ji)術發(fa)展的(de)一(yi)個重要部分。


(二)萬能試驗機(ji)測控軟件
萬能(neng)試驗機測(ce)控(kong)(kong)軟件(jian)采用DSP技術及(ji)神經元自適應控(kong)(kong)制(zhi)(zhi)(zhi)(zhi)算法,實(shi)現(xian)等速(su)(su)率試驗力、等速(su)(su)率油缸位移、等速(su)(su)率應變(bian)等多種閉環(huan)控(kong)(kong)制(zhi)(zhi)(zhi)(zhi)模(mo)式,控(kong)(kong)制(zhi)(zhi)(zhi)(zhi)方式可(ke)(ke)任意組合、平滑切換具有(you)網絡接口,可(ke)(ke)實(shi)現(xian)數據聯網和遠程控(kong)(kong)制(zhi)(zhi)(zhi)(zhi)功能(neng)。

(三)設備運行監控(kong)系統
設備(bei)(bei)運行監控系統是我公司(si)對、原有強電電路進行了顛覆式的改進,增加了相(xiang)序、缺(que)相(xiang)自檢指示功能(neng),電氣過(guo)流、過(guo)載等保護功能(neng),使設備(bei)(bei)運行安全可靠。

(四(si))外部手持控制盒
可(ke)控制移動橫梁及(ji)油(you)缸的(de)上(shang)升與(yu)下降,鉗口的(de)夾緊與(yu)松開,同(tong)時具(ju)有設備緊急停止功(gong)能,使試樣裝夾更(geng)加方便,操作更(geng)加簡單(dan)。

(五)壓力監控儀表
實時顯示伺服油源的壓(ya)差啟動(dong)壓(ya)力(li)、系(xi)統壓(ya)力(li)、夾緊壓(ya)力(li),為(wei)設(she)備的正常運行保駕護航(hang)。



| 項 目 | 數量 | 材質 |
| 設備底座 | 1件 | QT500-7,金屬模精密鑄造 |
| 活塞 | 1件 | 優質結構鋼高頻淬火 |
| 工作臺 | 1件 | Q235-A加厚板精加工 |
| 移動橫梁 | 1件 | 金屬模鑄造,數控精密加工,材質QT550-5 |
| 上橫梁 | 1件 | 金屬模鑄造,數控精密加工,材質QT550-5 |
| 立柱 | 4根 | 高性能優質碳素結構鋼精密制作,表面鍍鉻 |
| 絲杠 | 2根 | T型,高性能優質碳素結構鋼精密磨制 |
| 拉伸螺母 | 2只 | QT500-7球墨鑄鐵,強度高,耐磨 |
| 減速電機 | 1套 | 齒輪減速三相異步電動機(裝在底座上) |
| 三面全封閉防護罩 | 1套 | 冷軋鋼板加工成型,全噴塑處理安全耐用 |
| 項目 | 數量 | 備注 |
| 主油泵 | 1臺 | 意大利“MARZOCCHI”齒輪泵 |
| 動力電機 | 1臺 | 伺服電機+三相異步電機 |
| 電液伺服閥 | 1件 | 伺服閥 |
| 電磁換向閥 | 3件 | 液壓,24V |
| 插裝式順序閥 | 1件 | |
| 插裝式減壓閥 | 1件 | |
| 插裝式溢流閥 | 1件 | |
| 壓力監控儀表 | 2件 | 上海儀表 |
| 濾油器 | 1個 | ZU-H10×20 |
| 高壓油管 | 5根 | 耐高壓油管 |
| 伺服油源柜 | 1臺 | 全噴塑,操作臺為黑色實心理化板 |
| 液壓油油箱 | 1只 | 容量:70升 |
| 項 目 | 數量 | 備注 |
| 外置獨立控制器 | 1套 | 自產 |
| 外部手動控制單元 | 1套 | 自產 |
| 萬能試驗機測控軟件 | 1套 | 自產 |
| 設備運行監控系統 | 1套 | 自產 |
| 外部手持控制盒 | 1套 | 自產 |
| 負荷傳感器 | 1只 | 高精度傳感器 |
| 位移傳感器 | 1只 | 高精度位移 |
| 電子引伸計 | 1支 | 選配 |
| 計算機/打印機 | 各1臺 | HP臺式機 |
| 項目 | 數量 | 備注 |
| 液壓夾持裝置 | 2套 | 上下橫梁內置各1套 |
| 鉗口卡板 | 1副 | 共4塊 |
| 螺紋鋼V型鉗口 | 2付 | 每付4塊,Φ13-Φ26mm,Φ26-Φ40mm |
| 板式平鉗口 | 1付 | 每付4塊,0-15mm,(15-30mm選配) |
| 壓縮附具 | 1套 | 204*204mm,下壓板帶可調節球面副 |
| 彎曲輔具(選配) | 1套 | 壓輥/支棍直徑(mm):Φ30 支輥最大寬度(mm):160 |
| 項目 | WAW-1000D |
| 裝箱清單 | 1份 |
| 合格證書/保修卡 | 1份 |
| 主機使用說明書 | 1份 |
| 軟件使用說明書 | 1份 |
(一)售后服務
公司(si)設有專門的客戶服(fu)務部(bu)和服(fu)務熱(re)線(xian),隨時接受用戶的咨詢和投訴;
公司對(dui)產(chan)品(pin)提供一年質保和終生維(wei)修服務;會不定期電話回訪(fang)或(huo)走訪(fang)客戶,了解產(chan)品(pin)使用和運行情況,并指導對(dui)設備進行維(wei)護和保養;
隨時可同我公司技術人員交流,答疑解惑、解決(jue)用(yong)戶(hu)的(de)產品故障(zhang)及疑難(nan)問題;
我方提供完整的(de)操作(zuo)(zuo)使(shi)用手冊、設(she)備操作(zuo)(zuo)視(shi)頻、設(she)備保養維護視(shi)頻等(deng)相(xiang)關資料。
(二)使用與維護
操作(zuo)人員必(bi)須認真閱讀(du)主機(ji)說明書,軟件說明書和試驗標準;要按照操作(zuo)流程,正確(que)方法操作(zuo);
每天試驗時,要啟動設(she)備后預熱10分鐘,特別在冬(dong)季(ji)溫(wen)度(du)較(jiao)低時;試驗結(jie)束后,要按照(zhao)正確順(shun)序關(guan)機,并切斷所有電源;
操作人(ren)員要每天(tian)清理殘留在鉗(qian)口(kou)夾持面和鉗(qian)口(kou)座上(shang)的(de)(de)鐵渣,以(yi)免影響設備耐用(yong)度(du);試樣拉斷后的(de)(de)振(zhen)動可能會使鉗(qian)口(kou)部分(fen)的(de)(de)緊(jin)固件退松(song),需要定期進行檢(jian)查,以(yi)避(bi)免由于(yu)緊(jin)固件松(song)動造(zao)成大(da)的(de)(de)損失(shi);
絲杠及傳動部分要定期涂潤滑油,防止(zhi)產生(sheng)干摩擦(ca)對傳動系統造成(cheng)損傷;
如自制試驗輔助工裝,安(an)裝時不(bu)得改變、損害產品原(yuan)主體構(gou)造(zao);
如果在工(gong)作時出(chu)現(xian)異常情況,應立即切斷電源,使試驗機停止運轉。
人員準備:安排對計算(suan)機(ji)熟練使用的(de)操作人員,有計量操作員證(zheng)的(de)人員更便于掌握;
物品準備:設備油(you)源最近的墻(qiang)面安裝好三相五線制空氣開關;HM46號抗磨液壓油(you)70升;
地基制作:設備規劃安(an)裝位(wei)置時應(ying)充分考慮保養和檢修的(de)便利性;建議設備后(hou)及左右三(san)面預(yu)留距障(zhang)礙物(wu)500-800mm的(de)空(kong)間;設備正(zheng)前方需保持不小于2000mm操作空(kong)間;安(an)裝位(wei)置原(yuan)混凝(ning)土基礎厚(hou)度為150mm以上時,可用水鉆按(an)地基圖尺寸(cun)鉆孔;基礎厚(hou)度小于150mm請安(an)按(an)圖施工(gong);
設備(bei)就(jiu)位:新建地(di)(di)(di)基(ji)凝固7天以(yi)上即可正常(chang)使用(yong),主機就(jiu)位后把(ba)水(shui)平(ping)(ping)儀放置到工作臺上調(diao)整主機水(shui)平(ping)(ping),調(diao)平(ping)(ping)后對四(si)個地(di)(di)(di)腳(jiao)(jiao)螺(luo)釘孔(kong)用(yong)水(shui)泥砂(sha)漿進行澆固。待地(di)(di)(di)腳(jiao)(jiao)螺(luo)釘孔(kong)的水(shui)泥凝固后,才可以(yi)擰緊地(di)(di)(di)腳(jiao)(jiao)螺(luo)母(mu)。
| 最大試驗力(kN) | 1000 | |
| 試驗力測量范圍 | 2%-100% | 全程不分檔,等效4檔 |
| 試驗力示值相對誤差 | < 示值的±1% | |
| 試驗力分辨力 | 最大載荷1/300000 | |
| 變形示值相對誤差 | < 示值的±1% | |
| 變形分辨力 | 最大變形量1/300000 | |
| 最大拉伸試驗空間(mm) | 750 | |
| 壓縮空間(mm) | 600 | |
| 活塞行程(mm) | 200 | |
| 立柱間距(mm) | 585 | |
| 圓試樣夾持范圍(mm) | Φ6-Φ40 | |
| 扁試樣夾持厚度(mm) | 0-30 | |
| 扁試樣最大夾持寬度(mm) | 75 | |
| 壓盤尺寸(mm) | 204*204mm | |
| 彎曲支點兩點間最大距離(mm) | 300 | |
| 彎曲支滾寬度(mm) | 140 | |
| 夾緊方式 | 液壓夾緊 | |
| 主機外形尺寸(mm) | 900*710*2300 | |
| 油源控制臺尺寸(mm) | 1100*750*1000 | |
| 電機總功率(kW) | 2 | |
| 總重量(kg) | 2850 |
| 試驗機主機 | 四立柱、兩絲杠、油缸下置式 試驗機主機帶液壓夾頭 | 1臺 |
| 壓力傳感器 | 鎮海傳感器(油缸采用研磨油缸,鑄鋼式上下橫梁,工作臺,底座、升降電機) | 1只 |
| 控制油源 | 自主生產 伺服電機,齒輪泵加載 三相異步電機控制液壓夾具 一體化集成油源。即:工控機、電腦、液晶顯示器、溫控系統等集成為一體油源 | 1臺 |
| 軟件測控系統 | 巍盛測控 可實現力、變形、位移三閉環控制,并在實驗過程中實現無沖擊切換 數字化全閉環測量及控制系統 電液伺服閉環控制,控制模式可平滑切換; | 1套 |
| 電器控制系統 | 自主生產 | 1套 |
| 計算機 | 惠普商用品牌電腦 | 1臺 |
| 打印機 | 惠普噴墨式打印機 | 1臺 |
| 圓試樣拉伸輔具 | Φ13-Φ26、Φ26-Φ40 | 各1套 |
| 扁試樣拉伸輔具 | 0-15mm | 1套 |
| 壓縮輔具 | 204*204 | 1套 |
| 說明書\合格證\裝箱單 | ----------- | 1套 |
| 位移傳感器 | 內密控光電編碼器 | 1套 |
| 電子引伸計 | 標距50mm,變形10mm | 選配 |
| 彎曲附具 | 選配 |
膠粘事業部
華南負責(ze)人:詹(zhan)紅兵(bing)15118409165
華東負責人(ren):張振13073353892
家具(ju)·箱包·塑料·包裝事(shi)業部
華(hua)南(nan)負責人:蔡婷婷13929477992
華東(dong)負責(ze)人:陳濤13790278052
郵(you)箱(xiang):kejian@hrbhaidu.com
膠粘事業部
華南(nan)負責人:詹紅兵15118409165
華東(dong)負責(ze)人:張振13073353892
家(jia)具·箱(xiang)包(bao)·塑料·包(bao)裝(zhuang)事業部(bu)
華南負責人(ren):蔡婷婷13929477992
華東(dong)負(fu)責人(ren):陳(chen)濤13790278052
郵(you)箱(xiang):kejian@hrbhaidu.com
膠粘事業部
華南(nan)負責人:詹紅兵15118409165
華東(dong)負責人:張振13073353892
家具·箱包(bao)·塑料(liao)·包(bao)裝事業部
華南(nan)負責人(ren):蔡婷婷13929477992
華東負責人(ren):陳濤13790278052
郵箱:kejian@hrbhaidu.com
負責人:蘇躍(yue)豪13649893987
郵箱:kejian@hrbhaidu.com
膠粘事業部
華南(nan)負責(ze)人:詹紅(hong)兵15118409165
華東(dong)負責人:張(zhang)振13073353892
家具·箱(xiang)包(bao)·塑料·包(bao)裝事業部
華南負責人:蔡婷婷13929477992
華東負責人:陳濤13790278052
郵(you)箱:kejian@hrbhaidu.com
膠粘事業部
華南(nan)負責人:詹(zhan)紅兵15118409165
華東負責(ze)人:張振(zhen)13073353892
家具·箱包·塑料·包裝事(shi)業部
華南(nan)負(fu)責人(ren):蔡婷婷13929477992
華(hua)東負責人(ren):陳濤13790278052
郵箱:kejian@hrbhaidu.com
膠粘事業部
華(hua)南負責人:詹紅兵(bing)15118409165
華東(dong)負(fu)責人:張振13073353892
家(jia)具·箱包·塑料·包裝事業部
華南負(fu)責人:蔡婷婷13929477992
華(hua)東負責人:陳濤13790278052
郵箱(xiang):kejian@hrbhaidu.com
負責(ze)人(ren):蘇躍豪13649893987
郵箱:kejian@hrbhaidu.com
